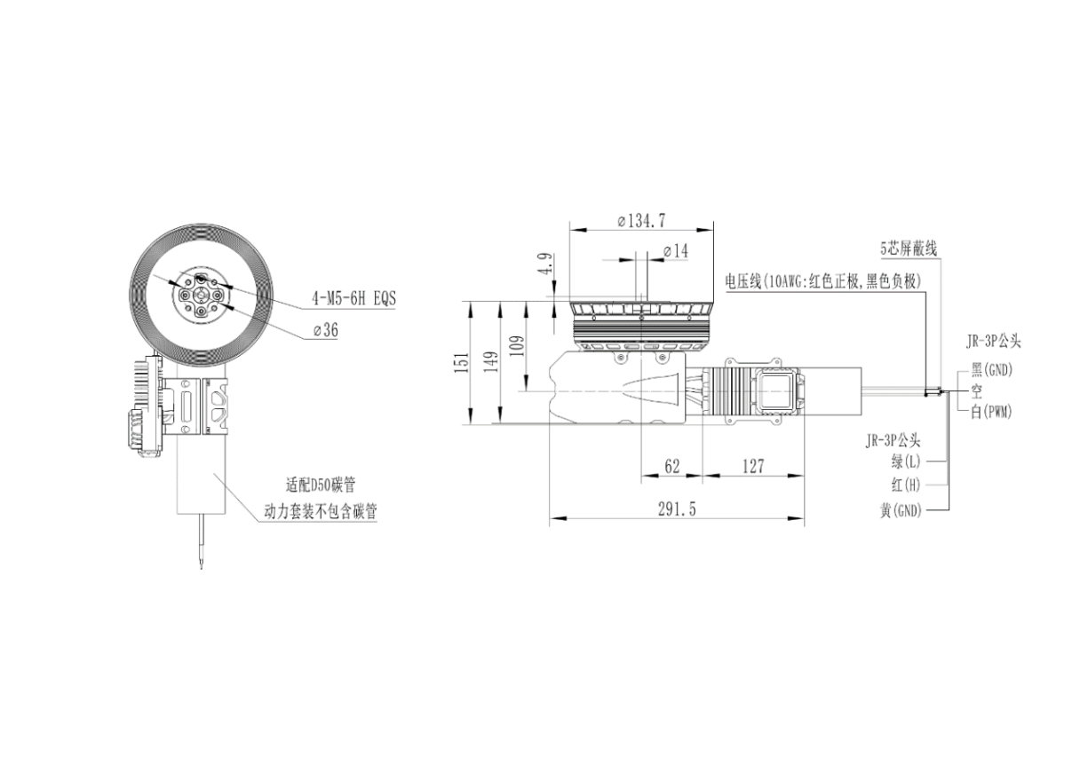
工程图

| 基本参数 | |
| 最大拉力 | 44kg |
| 单轴推荐拉力 | 20kg-22kg |
| 推荐电池 | 18S(LiPo) |
| 适用环境温度 | -20~50℃ |
| 重量(含桨叶) | 2780g |
| 防尘防水等级 | IPX6 |
| 碳管直径 | 50mm |
| 线序 | PWM:黑色--GND,白色--S |
| CAN:红色--CH,灰色--CL | |
| 电机 | |
| KV | 60KV |
| 定子尺寸 | 11122 |
| 电调 | |
| 最大支持电压 | 78V |
| 最大电流 | 150A |
| 工作脉宽 | 1050-1950us |
| 通讯协议 | DroneCAN |
| 螺旋桨 | |
| 型号 | 48*17.5 |
| 电压[V] | 油门[%] | 电流[A] | 输入功率[W] | 输出功率[W] | 扭矩[Nm] | 转速[rpm] | 拉力[g] | 力效[g/W] |
| 70V | 30 | 7.54 | 527.8 | 474.5 | 4.15 | 1092 | 7526 | 14.30 |
| 35 | 11.32 | 792.2 | 719.3 | 5.50 | 1249 | 10046 | 12.70 | |
| 40 | 15.91 | 1113.4 | 1018.7 | 6.90 | 1410 | 12653 | 11.40 | |
| 45 | 21.65 | 1515.6 | 1385.2 | 8.48 | 1560 | 15595 | 10.30 | |
| 50 | 28.03 | 1962.3 | 1834.7 | 10.07 | 1740 | 18627 | 9.50 | |
| 55 | 35.42 | 2479.6 | 2278.7 | 11.70 | 1860 | 21583 | 8.70 | |
| 60 | 43.64 | 3054.8 | 2728.0 | 13.36 | 1950 | 24530 | 8.00 | |
| 65 | 53.25 | 3727.4 | 3324.8 | 15.12 | 2100 | 27829 | 7.50 | |
| 70 | 63.08 | 4415.8 | 3841.8 | 16.73 | 2193 | 30804 | 7.00 | |
| 75 | 74.15 | 5190.7 | 4380.9 | 18.35 | 2280 | 33819 | 6.50 | |
| 80 | 85.90 | 6012.7 | 5008.6 | 19.93 | 2400 | 36613 | 6.10 | |
| 85 | 98.79 | 6915.1 | 5532.1 | 21.45 | 2463 | 39391 | 5.70 | |
| 90 | 107.85 | 7549.7 | 5888.8 | 22.29 | 2523 | 40907 | 5.40 | |
| 95 | 119.46 | 8362.2 | 6346.9 | 23.25 | 2607 | 42808 | 5.10 | |
| 100 | 127.91 | 8953.9 | 6482.6 | 23.72 | 2610 | 43604 | 4.90 |