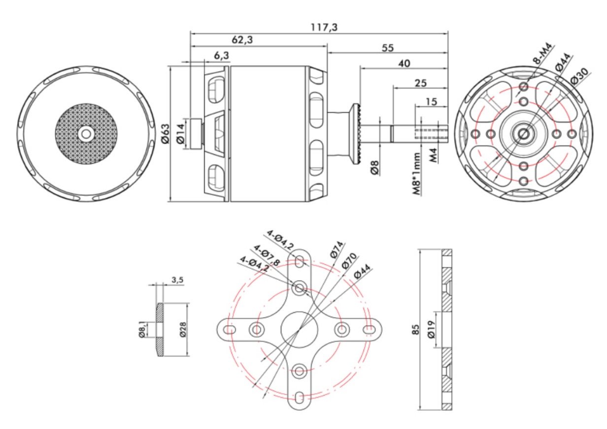
工程图

| 基本参数 | |
| 漆包线等级 | 200℃ |
| 磁铁等级 | 150℃ |
| 防护等级 | IP45 |
| 电机整体动平衡标准 | ≤5mg |
| 线圈绝缘测试 | 500V交流耐压测试 |
| 出线规格 | 750mm AWG14黑色硅胶线 |
| 螺旋桨安装孔位 | D:20 4xM3 |
| 电机安装孔位 | D:44 4xM4, D:30 4xM4 |
| 轴径 | 8mm |
| 技术参数 | |
| KV | 260KV |
| 额定工作电压 | 12S |
| 空载电流 | 2.4A/20V |
| 相间内阻 | 20mΩ |
| 电机重量 | 450g |
| 最大电流 | 98.07A |
| 最大功率 | 4091W |
| 最大拉力 | 11.5kg |
| 应用搭配推荐 | |
| 电调推荐 | 120A(5-14S) |
| 螺旋桨推荐 | 18x12, 19x11 |
| 单轴拉力 | 3~4.5kg |
| 整机起飞重量 | 16kg--四轴 24kg--六轴 32kg--八轴 |
| 油门[%] | 电压[V] | 电流[A] | 输入功率[W] | 输出功率[W] | 扭矩[Nm] | 转速[rpm] | 拉力[g] | 力效[g/W] |
| 30 | 44.5 | 3.23 | 143.7 | 96.7 | 0.280 | 3089 | 1136 | 7.7 |
| 35 | 44.5 | 4.59 | 204.1 | 149.9 | 0.371 | 3536 | 1505 | 7.4 |
| 40 | 44.4 | 6.60 | 293.1 | 221.3 | 0.497 | 4100 | 2016 | 6.8 |
| 45 | 44.3 | 8.43 | 373.6 | 303.4 | 0.598 | 4543 | 2447 | 6.5 |
| 50 | 44.2 | 11.19 | 494.6 | 395.9 | 0.732 | 4985 | 2980 | 5.9 |
| 55 | 44.1 | 13.71 | 605.0 | 492.9 | 0.883 | 5442 | 3564 | 5.5 |
| 60 | 44.0 | 17.37 | 765.0 | 617.9 | 1.036 | 5930 | 4197 | 5.2 |
| 65 | 43.9 | 21.95 | 962.6 | 802.5 | 1.257 | 6398 | 5098 | 4.9 |
| 70 | 43.7 | 26.82 | 1171.8 | 971.2 | 1.441 | 6868 | 5794 | 4.6 |
| 75 | 43.6 | 31.78 | 1384.9 | 1142.1 | 1.663 | 7282 | 6710 | 4.3 |
| 80 | 43.4 | 39.91 | 1732.4 | 1452.5 | 1.857 | 7670 | 7378 | 4.0 |
| 85 | 43.2 | 46.43 | 2006.4 | 1678.0 | 2.005 | 8069 | 8223 | 3.9 |
| 90 | 43.2 | 55.73 | 2397.4 | 1983.1 | 2.281 | 8435 | 9216 | 3.7 |
| 95 | 42.8 | 64.71 | 2771.4 | 2264.4 | 2.593 | 8777 | 10192 | 3.5 |
| 100 | 42.6 | 70.65 | 3012.0 | 2475.0 | 2.936 | 9297 | 11232 | 3.1 |